Come on guys i had a two tone blue and white one of these with a hounds tooth grill with rola plesseys in it years ago and althought not a screaming 50w from 2 el,s it was about the best & coolest sounding open backed guitar amp i ever owned and i have owned many Aus made vintage guitars amps several Goldentone basmasters & guitar combos & heads maton 60 watt combos and lots of others i picked up over the years, how about generating a copy of this very cool Aus made circa 1963-4 amp for us to build in 50 watts class a-b or 35 class a as the original, it was made from ply wood the cab and the knobs were chicken heads 2 el 34,s 3 ax7s from memory the volume was "soft & loud" and the bas & treble read "boost & cut" it also had a great reverb and vibrato i loaded it with real greeback 25s at the time and had the best sounding open back amp i ever owned, i would pay money $$$$ to be able to make this as a kit, i rekon others would too its such a cool amp and uniquely Australian with respect always,
Check him out folks......it has 2x12,s its a bit bigger then you think but not huge i tells you in person they are the ducks guts of very cool ozzer valve amp design i swears. Mine also came with a midrange horn above the 2x12,s in it but it blew however when it did work the combination of 2x12,s and a horn was outstanding for lead and just gave it a very overall great range of sounds anyhting sounded good in it.
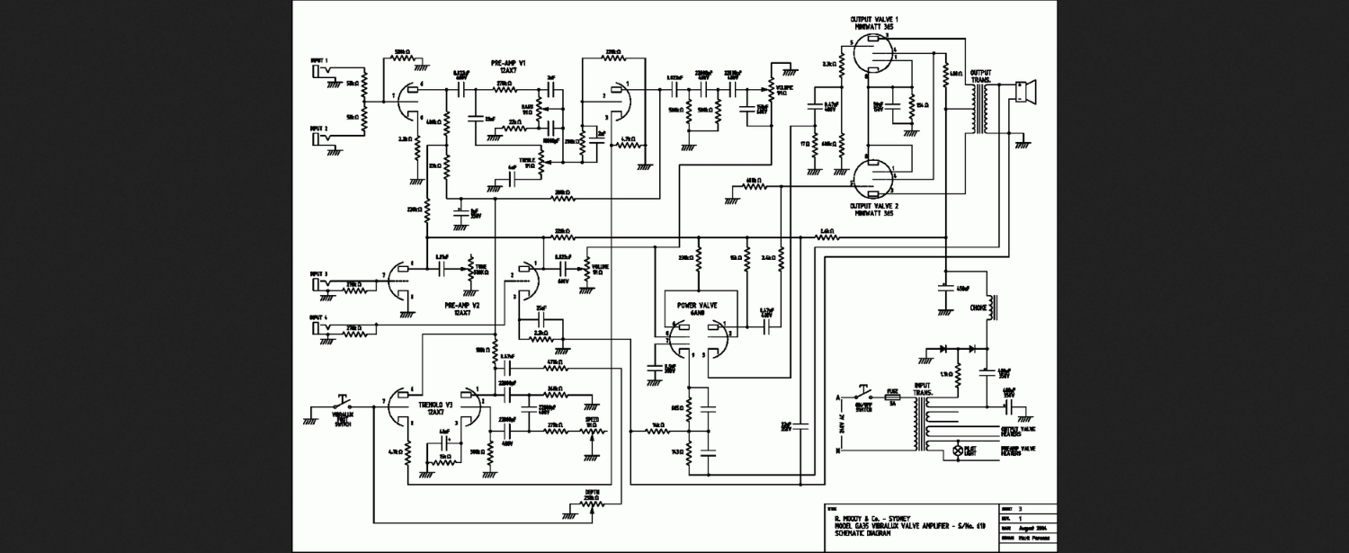
Made in Sydney.
I had the two tone blue and white one with red pre amp face etc, oh man i miss that sweet singing ozzy amp.
Dear Guitar Gods please make it happen lol.
david




Made in Sydney. 
Reply With Quote
