Results 1 to 8 of 8

Thread: Moody GA-35 Vintage ozzy amp for kit idea?

  1. #1
    Member
    Join Date
    Jul 2023
    Location
    Victoria
    Posts
    51

    Moody GA-35 Vintage ozzy amp for kit idea?

    Come on guys i had a two tone blue and white one of these with a hounds tooth grill with rola plesseys in it years ago and althought not a screaming 50w from 2 el,s it was about the best & coolest sounding open backed guitar amp i ever owned and i have owned many Aus made vintage guitars amps several Goldentone basmasters & guitar combos & heads maton 60 watt combos and lots of others i picked up over the years, how about generating a copy of this very cool Aus made circa 1963-4 amp for us to build in 50 watts class a-b or 35 class a as the original, it was made from ply wood the cab and the knobs were chicken heads 2 el 34,s 3 ax7s from memory the volume was "soft & loud" and the bas & treble read "boost & cut" it also had a great reverb and vibrato i loaded it with real greeback 25s at the time and had the best sounding open back amp i ever owned, i would pay money $$$$ to be able to make this as a kit, i rekon others would too its such a cool amp and uniquely Australian with respect always,
    Check him out folks......it has 2x12,s its a bit bigger then you think but not huge i tells you in person they are the ducks guts of very cool ozzer valve amp design i swears. Mine also came with a midrange horn above the 2x12,s in it but it blew however when it did work the combination of 2x12,s and a horn was outstanding for lead and just gave it a very overall great range of sounds anyhting sounded good in it.
    Made in Sydney.
    Click image for larger version. 

Name:	Moody GA-35 amplifier.jpg 
Views:	1581 
Size:	147.4 KB 
ID:	44749
    Click image for larger version. 

Name:	Screenshot 2023-08-21 151410.jpg 
Views:	1528 
Size:	117.4 KB 
ID:	44750
    Click image for larger version. 

Name:	Screenshot 2023-08-21 151520.jpg 
Views:	1586 
Size:	103.9 KB 
ID:	44751
    Click image for larger version. 

Name:	Screenshot 2023-08-21 151632.jpg 
Views:	1622 
Size:	92.7 KB 
ID:	44752
    I had the two tone blue and white one with red pre amp face etc, oh man i miss that sweet singing ozzy amp.
    Dear Guitar Gods please make it happen lol.
    david
    Last edited by david bodycomb; 21-08-2023 at 02:39 PM.

  2. Liked by: david bodycomb

  3. #2
    Member
    Join Date
    Jul 2023
    Location
    Victoria
    Posts
    51
    Heres the midrange it had but mine was disconnected as well, i did wire it in but it blew i was spewing i loved the extra chirp it gave just not a powerful enough speaker etc.
    Click image for larger version. 

Name:	Screenshot 2023-08-23 143759.jpg 
Views:	1533 
Size:	26.7 KB 
ID:	44756

    Click image for larger version. 

Name:	Screenshot 2023-08-23 143414.jpg 
Views:	1519 
Size:	82.1 KB 
ID:	44757

    Click image for larger version. 

Name:	Screenshot 2023-08-23 143351.jpg 
Views:	1592 
Size:	237.9 KB 
ID:	44758

    I bought it for 60$ in a 2nd hand furniture shop in richmond, it had stick on fake woodgrain vinyl all over it but i peeled it off to reveal the two tone blue & white, i had it serviced by resurrection radios in Chapel st prahran.
    Bit of Ozzy history should never have sold it.
    You could dog the input jack 2 into jack 3 and use the voicing in the pre amp section, fun times gigging in st kilda back in the day.
    I collected ozzer amps then i had heaps.
    Last edited by david bodycomb; 23-08-2023 at 01:49 PM.

  4. #3
    GAStronomist Simon Barden's Avatar
    Join Date
    Oct 2016
    Location
    Reading, UK
    Posts
    10,547
    There will never be any Pit Bull valve amp kits. There was once a fully assembled 5W valve amp offering along the lines of a tweed Champ but it was a slow seller and then IIRC the Pit Bull warehouse got burgled and the remaining stocks got taken.

    To sell amp kits you need to be able to provide full technical support. Pit Bull can’t even do that with their guitar kits any longer.

  5. #4
    Member
    Join Date
    Jul 2023
    Location
    Victoria
    Posts
    51
    Somehow i figured as much Simon, however, its kind of inspired me to create my own one day & just order an amp kit from the states and do the cab work myself , i guess its what they call a "pipe dream" yeah, haha.
    You got to admit it was a very cool amp from back in the day, wish i still had my Moody. I paid 60$ for it lol. Im not kidding.

    Take care from david in Aus.

  6. #5
    GAStronomist DrNomis_44's Avatar
    Join Date
    Dec 2014
    Location
    Darwin,NT Australia
    Posts
    5,552
    Quote Originally Posted by david bodycomb View Post
    Somehow i figured as much Simon, however, its kind of inspired me to create my own one day & just order an amp kit from the states and do the cab work myself , i guess its what they call a "pipe dream" yeah, haha.
    You got to admit it was a very cool amp from back in the day, wish i still had my Moody. I paid 60$ for it lol. Im not kidding.

    Take care from david in Aus.

    You may be able to order the majority of the parts and chassis from this website, they're based in Australia, and I've had great service from them:

    www.evatco.com.au


    I would very strongly recommend setting-up an account at their website.

  7. Liked by: david bodycomb

  8. #6
    GAStronomist Simon Barden's Avatar
    Join Date
    Oct 2016
    Location
    Reading, UK
    Posts
    10,547
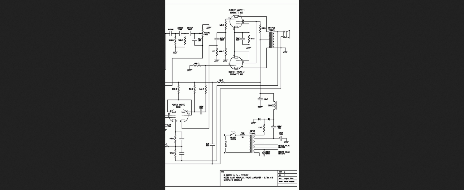
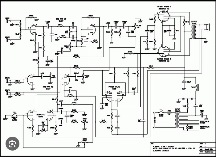
    I can’t make out the full name of the output valves M**MATE(?) 365, (possibly a rebrand of another valve name, maybe MOV - Marconi Osram Valves) but they certainly aren’t one of the common valve types and it looks to be a tetrode. The ‘power valve’ (a phase inverter?) also appears to be a non-common valve number. These valves may have been plentiful at one time, probably because they were used in TV sets, but since all commercial TVs swapped over to transistors in the 1970s, an awful lot of once-common valve types simply went out of production. So to make an exact copy you’d be reliant on finding NOS valves for both construction and maintenance.

    If you could find a data sheet for the rare valves, you may well find equivalent valves still in production that could be used with a little circuit adaption, but the amp won’t sound quite the same. 6V6, 6L6 and KT66 are all power beam tetrodes available today, and you could probably substitute one of them for the 365, but they all have their own sound.

    The speakers used will also have played a big part in how the amp sounded, so you’d need to find something similar to use. You might be able to find data sheets for them if you could find the model number.

    Hopefully there’s a more detailed version of that circuit diagram available, as there are too many blurred numbers and names on it to make a full parts list from it unless you were experienced in valve circuit designs and could determine what the blurred values should be. The output transformer doesn’t show the speaker ohmage value. It’s most likely to be for 5.3 ohms (3 x 16 ohms in parallel), as the main alternative of 2.7 ohms (3 x 8 ohms in parallel) is far lower than commonly used. Unless there are more details available elsewhere, you’d need to find an intact amp to really find out all the missing info e.g. there’s no indication of what pots are linear and which are log taper. You could guess based on other amps, but you might be wrong.

    The twin feedback paths is a rare feature that I haven’t noticed before in other amps. If there is feedback from the power amp output, it’s normally a single path, or part of a presence control. (Note that I can follow these circuit diagrams and know roughly what bits of the circuit should do, but have almost no detailed knowledge of how the bits really interact).

  9. #7
    Member
    Join Date
    Jul 2023
    Location
    Victoria
    Posts
    51
    The one i bought came with 2x el 34 power amp valves and 3 12ax7,s that were in it from memory, one may have been an at7 re tremolo circuit etc but it wasnt marked that way on the valve socket or chassis etc, cant remember the phase inverter tube so long ago, the original speakers were very similar to these
    Click image for larger version. 

Name:	speakers.jpg 
Views:	1556 
Size:	48.6 KB 
ID:	44772
    but they blew so i put a pair of etone 30w in and then a pair of greenbacks after that as i used the etones for a goldentone bassmaster 60w i had and another cab etc.
    Heres some more shots of the electrogizzards of others out there with diff speakers then what mine came with at the time.
    Click image for larger version. 

Name:	Screenshot 2023-09-01 143730.jpg 
Views:	1530 
Size:	64.0 KB 
ID:	44773
    Click image for larger version. 

Name:	Screenshot 2023-09-01 143842.jpg 
Views:	1537 
Size:	78.2 KB 
ID:	44774
    Click image for larger version. 

Name:	Screenshot 2023-09-01 143814.jpg 
Views:	1559 
Size:	71.9 KB 
ID:	44775
    Click image for larger version. 

Name:	Screenshot 2023-09-01 143751.jpg 
Views:	1556 
Size:	74.2 KB 
ID:	44776

    The output trans in that image above is not the original i dont think as mine was similar make and appearance as the power trans. Just smaller.

    The nuts on top of the original speakers were bigger but a very smilar design pattern, pressed grey metal colour though, i thought they were rolas but could be wrong there were no labels on them but they were a common speaker back in the day in Australia i saw them in p.a. boxes of the time and other stereo speakers around. There was a midrange too but grossly underpowered for the amp, i want that 2x12 + midrange sound configuration again though, as while it did work it sounded just great with the extra chime of the midrange, however i will use one with greater wattage then the original.
    I thought of using a jtm 45 kit would be great if its too hard to recreate the exact amp config of the original with a pair of 12" celestion rubies & a eminence 6 or 8 inch pa midrange, it would be some work but not impossible for me.
    I have some knowledge of electronics, not as much as you, but im very good at soldering & learning.
    Thats why i ask plenty of questions im fishing to learn more from folks such as yourself sir.
    if you want to have a listen to ole slowhand bodycomb playing some funk style guitar and bass here i am on a little funk track i wrote that my sister recorded the other day, she played the keys. Not my normal garage blues style however----->
    Just for the hell of it.

    https://www.youtube.com/channel/UCr0...9h8SNOTrR8l1rA

    Funny you mention Evatco i found them the other day browsing for some new tubes for my brtohers Fender 135 bassman amp head yes i will join up looks great for parts & what.
    Last edited by david bodycomb; 01-09-2023 at 03:14 PM.

  10. #8
    Member
    Join Date
    Jul 2023
    Location
    Victoria
    Posts
    51
    Heres a better schematic.
    Click image for larger version. 

Name:	Screenshot 2023-09-01 at 16-00-43 moodyga35cctx2.gif (GIF Image 1392 × 1004 pixels) — Scaled (46.jpg 
Views:	1574 
Size:	325.9 KB 
ID:	44777

    Click image for larger version. 

Name:	Screenshot 2023-09-01 at 16-00-57 moodyga35cctx4b.gif (GIF Image 1472 × 2088 pixels) — Scaled (2.jpg 
Views:	1554 
Size:	281.3 KB 
ID:	44778

    Click image for larger version. 

Name:	Screenshot 2023-09-01 at 16-01-04 moodyga35cctx4a.gif (GIF Image 1712 × 2112 pixels) — Scaled (2.jpg 
Views:	1589 
Size:	287.7 KB 
ID:	44779

    https://www.ozvalveamps.org/moody.html
    Last edited by david bodycomb; 01-09-2023 at 03:21 PM.

Posting Permissions

  • You may not post new threads
  • You may not post replies
  • You may not post attachments
  • You may not edit your posts
  •