What I would do is think about how I'm going to play the instrument. That may give you some clues about what will suit you best.
Printable View
What I would do is think about how I'm going to play the instrument. That may give you some clues about what will suit you best.
That's a good point. If you need to quickly switch between neck and bridge pickups in the transition between parts of a song, having to push one knob down and the other up seems much harder than flipping a toggle. Plus if you do the knobs in the wrong order (up then down) you will get a volume stutter.
Push-push pots would be easier to use than push-pull.
If it's particularly the toggle you hate, replace it with a blend pot, then you can have the same knob as your vol/tone. That leaves your push pulls for splitting phasing and parallel/series.
Was also going to bring up the blend pot. Though it would require sacrificing another pot, so something like 2V 1T and a blend for pickup selection. That would let you bias toward one pickup instead up just on or off. Or you could fit it into the toggle switch hole if you just don't want the switch but are okay with an additional knob.
Otherwise I'd agree with Simon's suggested wiring since you probably don't want off/off. A kill switch is a control option but generally not used though push-pull.
I think Tassie was suggesting the blend pot goes in the position the toggle switch on a LP goes. It would make it look rather Gretch-like IMO, but it's certainly an option.
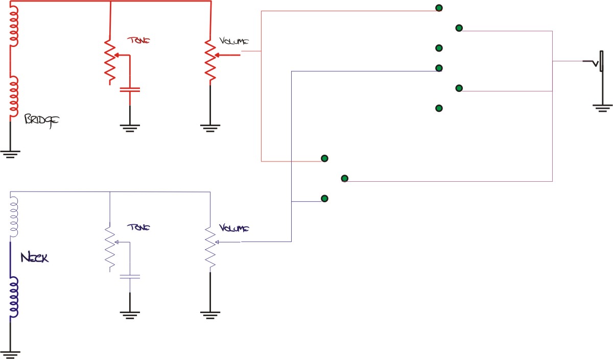
You have definitely given me lots to think about. While using rotary switch or similar would perphaps look bit better than toggle I would like to stay in four knob configuration. Last couple of days I have tried to sketch up and understand the Simon's proposal and for the life of me I can't figure it out. If anybody has wiring diagram for that lying around please save me and share
Something like this @Simon?
Attachment 36245
Lower switch always connects one pickup or the other, upper switch connects both or none.
Yes. The top switch is probably better described as bringing in both pickups or having no effect (rather than no pickups) leaving the bottom switch to do the neck/bridge pickup selection.
OOYD, can you convert Jim's switch diagram to the contacts on a push/pull switch?
Thanks for the diagram. I understand the symbols other than that im not entirely sure.. or even nearly sure.
Something like this?
Attachment 36265