You can't run active pickups without a battery. The pre-amp is built in and it won't pass a signal without power. Active pickups also use lower value pots, typically 20k, though these may need 50k ones.
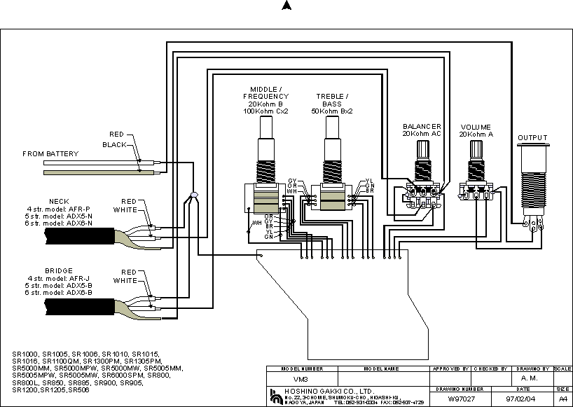
Here's a wiring diagram showing how they were originally wired.
Attachment 25746
But on that, they are connected to an Ibanez EQ PCB, so it's really not a lot of help unless you have that board.
Red is the battery +ve connection, white is the output and the braid acts as the screen and the ground wire.
This is a wiring diagram for a generic EMG passive control set. The pots will be 20k, Volume audio/log, tone probably linear. I'd suggest a 0.1uF tone capacitor, or maybe 0.047uF if you want a slightly brighter sound.
http://www.sonic.net/~emgman/pdf/1EMG1V1T.pdf
But there's no guarantee that these pickups are exactly the same as EMGs, so no guarantee the circuit will work.
You'll certainly need a TRS jack socket, with the battery ground connected to the R(ing) tag on it, the ground to the S(leeve) and the signal to the T(ip) so that plugging in the jack connects the battery ground to the signal ground when you put a normal TS jack in (as the ring connection will also contact the sleeve).
But as I say, there's no guarantee about the pot values required. 20k should work OK. From reading on the web, I'm certain the battery will be a standard 9v one.
But if you are trying to use this with another pickup that's passive, it just won't work.